企業(yè)簡介
虹潤概覽
智能制造
測試中心
知識產權
國家標準
虹潤資質
智能客服
虹潤文化
領導關懷
虹潤榮譽
社會貢獻
人大履職
新聞動態(tài)
黨建之家
產品中心
產品訂制
大事記
經典案例
典型用戶
常見問題
資料下載
人才理念
人才招聘
聯系方式
物資招標
在線留言
試用申請
English
NHR-X33系列導軌式智能配電器
NHR-X32系列導軌式智能溫度變送器
導軌式智能配電器
智能配電器
NHR-X33系列
虹潤組態(tài)軟件
虹潤?HRStudio?組態(tài)軟件采用開放式密鑰,無點數限制;凡購買虹潤帶有 RS485/232、以太網通訊功能的儀表,單筆訂單滿 3800 元,即免費贈送HRStudio 組態(tài)軟件及對應密鑰;若您在組態(tài)過程中有任何疑問,我們提供專業(yè)遠程協(xié)助。
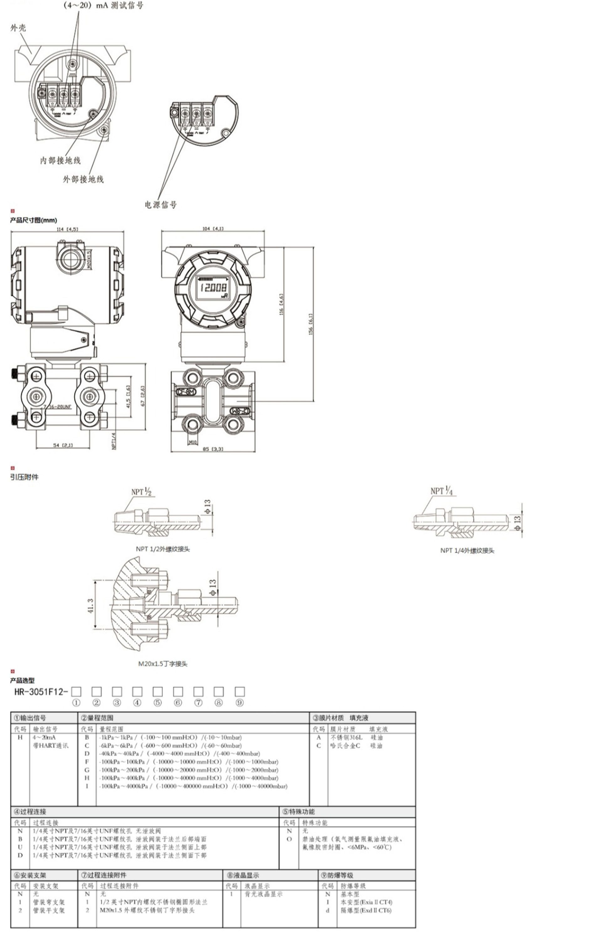
HR-3051F12智能單晶硅夾板式壓力變送器
HR-3051F12智能單晶硅夾板式壓力變送器能準確的測量壓力,并把它轉換成4~20mADC的輸出信號。該變送器可通過三按鍵本地操作,或通用手操器、組態(tài)軟件、以及手機APP遠程操作,在不影響4~20mA DC的輸出信號的同時,進行顯示與組態(tài)。
咨詢電話 0599-7821390
商務郵箱 hrgs@hrgs.com.cn
直接掃碼
虹潤微信客服
虹潤官方微信
fjhongrun